(趣味)←エントランスへ 
700円のLSIによる
本格オーディオアンプの製作


青山貞一

2006年9月18日、10月4日、10月7日更新

 以下のコラムに書いたが、筆者は、いかに無駄な金を使わず、高音質のオーディオシステムをつくるかがひとつの趣味となっている。

 デスクトップ・パソコン上のCDプレイヤーとWindows Media PlayerでHDDに音楽CDを蓄積し、PCに付加した「オーディオカード」で「まともな音」で聞けるシステムを構築するのが目的だ。まだ道半ばだが、報告したい。
 
○青山貞一:本格的オーディオボードでPC音響システムの音質改善を
○青山貞一:簡易アダプターでPC音響システムの音質改善を
○青山貞一:古ステレオ再使用による最新音響システムづくり

 上の目的を実現する第一関門は、言うまでもない、デスクトップ・パソコンに「オーディオカード」を入れることだ。これがしっかりインストールされていれば、まず入り口は合格となる。

 以下の写真にあるSE90PCISE150PCIは、この点で実にすばらしいオーディオカードだ。使ったひとがほぼ全員評価していることからも明らかだ。費用対効果にも優れている。

 これに中古のビクターのステレオのパワーアンプとつなぐことで、結構、音楽が堪能できた。

SE−150PCI SE−90PCI
上記はパソコンに付加したオンキョーのオーディオボード
 
現在は右側のものを使っている

 そんなかな、パワー&プリアンプとして使ってきた中古のステレオアンプが故障してしまった。自力で直しているうちに、パワーアンプのIC基板をぶっ壊してしまった。型番を調べ交換できないこともなかったが、何しろ15年も前の代物なので大変、3Rの限界となった!

 もっぱら、スピーカー2つは現在も使っているが。 ビクターの中古アンプは、いま風のリア(サラウンド)端子やドルビーステレオ効果もついていて、結構楽しめた。 15年もつかったこともあり、残念だが、仕方あるまい。

 ビクターのアンプは、パワーアンプ部はA級で動作するので、歪みが少なく良い音がしていたが、A級であるが故に、入力信号の有無にかかわらず大きな電流が流れていた。

 そのためアンプのケースは夏では手で触れないほど熱くなる。

 冬は暖房になっていい(笑い)のだが、夏はクーラーとファンが必要なほどとなり閉口していた。いずれ熱が出ないアンプにしようと思っていた。

 それなら、いっそ、いわゆるAVアンプを購入するか、とオーディオ各社のカタログを集めスペックを比較した。

 しかし、どれも100W×6とか120W×7など、わずか6畳程度の小さな書斎で聞くにはバカデカイ出力である。6〜10畳程度の日本家屋や書斎で、何だってこんな大きな出力が必要なのか理解に苦しむ。

 自宅では四六時中、音楽を流しているので、いくらD級のAVアンプといえど電気エネルギーや電気代の無駄にもなる!

 デジタルAVアンプは、D級アンプなので、入力信号がないときはほとんど電流が流れないはずだ。にもかかわらず、秋葉のヨドバシカメラなどに展示されている各社AVアンプに直接タッチしてみると、音楽を流していないすなわち待機中であるにもかかわらず結構熱を持っている。熱い。

 そんな背景もあって、3万円台まで実売価格が落ちてきたエントリーAVアンプだが買う気になかなかなれなかった。各社、とくにオンキョーやヤマハなどのAVアンプを探すと、シアターセットの小さなアンプにも25Wクラス×5チャンネルなどがついている。

 しかし、これらはスピーカー、サブウーファーとセットになっている。アンプだけ2万円以下で買えればと秋葉原で見回ったが、やはり5.1なり3.1なりで、スピーカなどと一体でしか売っていない。

 さらに大学の同僚でNHKの技術研究所の幹部をしていた音響専門家に、今はやりの5.1〜7.1などのサラウンド音響について聞いてみたら、一口で言えば音楽に関しては邪道であるとの印象をもらった。そんなこともあり、当面、一端入りかけたサラウンド音響の世界には深入りしないことを決めた!

 そもそも、私の部屋では一番エネルギーを食うサブウーファーで低音を補っており、中高音部のパワーアンプの出力は片方10Wもあれば十分すぎるほどである。

 まさに何も知らないトーシローさんらがメーカーの営業戦略と戦術に踊らされ、6畳程度の小さなリスニング空間で150W×7チャンネルと言った過大かつ厚化粧のアンプを交わされている現実がある!!

 そんなこともあり、ここはオーディオの原点、すなわちまともな音で音楽を聴くためのシステムづくりに専念することとした。 とはいっても、今のままではどうしようもない。なにも音がでない(苦笑)

 私の場合、ヤマハのサブウーファーを使ってきたが、それには75W出力のパワーアンプがついている。そこで2チャンネルのステレオアンプがあれば、2.1チャンネルのいわばピュア・オーディオシステムが実現することになる。

 出力は片チャンネル10Wもあれば十分、できればAクラスの方がよいが、かならずしもこれにこだわらない。 そこで、久々アンプを自作することになった。

 デジタルアンプの自作なら、今はやりのカマデンやアキバの若松で売られているトライパス社の デジタルオーディオアンプ用LSIであるTA2020を使ったキットもある(下の写真参照)。

 しかし、これはデジタルアンプでDクラスだ。さらに20W×2は私にとって少々大きい。


TA2020を使ったカマデンのデジタルアンプキット

 今時、C-Mosタイプなどのパワートランジスタを使った自作もない。そこでインターネットでオーディオアンプ用のICやLSIを検索したところ、以下の回路図にぶち当たった。

 TDA2009と言うフィリップスのステレオ用パワーアンプのICである。終段アンプの動作クラスはAB級である。

 フィリップスはこの他にも、多くのアンプをTDAシリーズで売り出しているが、いずれも1チップ数100円であり非常に廉価である。しかも、このLSIは特に高音質にこだわってつくられている点でも見逃せない。

 Vccに28Vを与えると最大で片チャンネル10Wでるとある。28Wは少々高すぎるが13V〜15VをVccに与えれば、ちょうど良い出力のオーディオアンプとなりそうだ。 

TDA2009を1個使ったオーディオパワーアンプの基本回路

 LSIのTDA2009は、以下の形状をしている。



 小さなLSIだ。これに放熱版をつけて使う。28Vを与えると最大で10Wはでると書いてある。TDA2009 は英語では、10W+10W High Quality Stereo Amplifier LSIとあり、あえて High Quality Stereo Amplifierとある。 

 あるカタログをみると5つで30米ドルとある。1個せいぜい日本円で700円程度だ。さらに他のカタログを見るとひとつ250円程度とある。なんて安いんだろう。

 LSIひとが700円の場合でもコンデンサ、抵抗、汎用プリント基板等を含めても電源別で2000円もあれば本体ができそうである。

 ケース、入力には50k〜100kオームの2連ボリュームが欲しい。さらにサブウーファー用に両チャンネルをミックスしたうえで100Hz程度のカットオフ周波数をもつローパスフィルターもつくろう、と言うことになった。

 必要部品をメモし、アキバで部品を物色しているうちに、何とTDA2009の基板完成品が2000円ちょっとで売られていた。さらにインターネットでこのTDA2009をキーワードとして検索すると、カナダの小さなベンチャー企業が1600円ほどでまったく同じ内容のキットを売り出していた。

 これはラッキー!! 値段もほぼ部品を集めた場合と同じ程度である。それに放熱版をつけても大きさが以下のように小さい。

左のLSIを使った基板完成品
この写真では放熱版がついていない!

 そこでこの基板と、ケース、2連ボリューム、パイロットランプ(LED)、入力端子(RCA型)、スピーカー端子(陸軍型)などを同じショップでまとめ買いし、自宅で自作した。

 かかった費用は5300円程度。何しろ超小型である。熱もでず歪率やS/Nも相当低そうだ。

 ただし、この基板完成品の回路は先に示した回路に比べるとLSIの入出力系のコンデンサ、抵抗が簡素化してあり、ほぼ以下の回路となっている。電圧は12〜28Vの範囲だが、いずれも放熱板が必要。実質的製作時間は2時間程度だ。

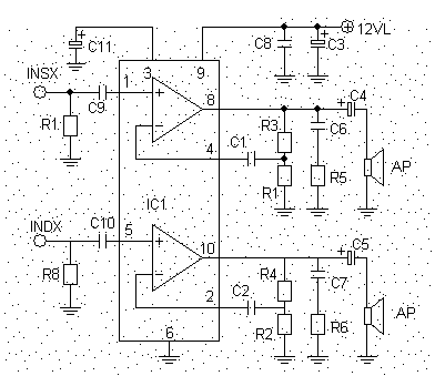
 以下は、最終的に用いた回路。ただし、DC電圧は安定化した15Vとした。



TDA2009アンプは左の基板 前から見たアンプ

 できあがったアンプは、何しろ小さく軽い。手のひらにのる大きさだ。

 電源はアマチュア無線や環境計測で使っていた小さな安定化電源を使った。一日使っていてもアンプ、電源ともほとんど熱くならない。

 肝心な音だが、スピーカーは以前と同じビクターの中古品を使っているが、非常に満足している。

 定量的な特徴は以下の通り。

(1)以前よりも明らかにS/Nがよくなった。メーカーの実測データでは最高で102dB(IEC)とある。申し分なし。

(2)音質だが、高域、低域ともに伸びており文句の言いようがない。カタログでは、周波数特性は10hz〜130khz(−3dB)となっており、実際に聞いた感じと一致する。これに対応するもっと良いスピーカーが欲しくなる。

 ※ その後、ONKYOが出した、D−D1Eと言う1本1万円のスピーカーをビックカメラ有楽町店で買って切り替えたり、パラレルにして使っている。小さなスピーカーだが、なかなかすばらしい音をしている。D−112Eと言うひとつ上位のスピーカーと聞き比べたが、それほど大きな違いがないので、D−D1Eにした。

(3)入力抵抗は200kオームで問題なし。

(4)アイドリング電流は無信号時約54mAとある。約0.8Wということになるがこれなら熱の問題はない。実際一日中聞いていても筐体は熱くならない。私の安定化電源には電圧、電流計がついているので常時監視できるが、曲を聴いている場合でも通常は1A程度の電流である。

(5)ちなみに電圧利得は35dBであり、プリアンプなしにPCに入れたオーディオカードから直結できる。

 ちなみに私が使ったサブウーファー用ミキサーとLPFの回路図(出典:Arito Maekawa's Homepage)とそれを使った場合のLPFの特性シミュレーション結果を以下に示しておく。オペアンプのNE5532はアキバでは100円程度で売っている。電圧は+Vにアンプ用と同じ15Vを与える。
 




 私の場合サブウーファーをヤマハのYSTーFSW100を使っており、サブウーファー自身にもアンプとLPFが入っているが、LPFのカットオフ周波数は100Hzにしてある。

 なお今回製作したパワーアンプの入力には、パソコンに入れたオーディオカードからの2チャンネルのアナログ出力電圧をRCAピンジャックを経由してアンプに入れている。
 
 このアンプは5000円そこそこで全部ができた。使うスピーカーまた入力系にもよるが、小さな出力で楽しむ限り、メーカー製の5万〜10万円のピュアアンプにも負けないと自負している。

 ちなみに、PCのオーディオカードにある3Dスイッチを入れると、そこそこ音楽CDで3D効果も味わえ、小さな書斎ではこれで十分と思っている。ぜひ、皆さんもとどめなく金がかかるメーカー主導のオーディオの世界から素朴でピュアーな自分ならではの世界をつくって欲しい!